Oferta
Króćce FW
SYMBOL PRODUKTU
KR-FW
Przeznaczenie
Przeznaczony do łączenia kielichowego końca rury PVC z kołnierzem armatury wodociągowej. Stosowane w instalacjach wodociągowych dla wody pitnej i płynów nieagresywnych
Specyfikacja
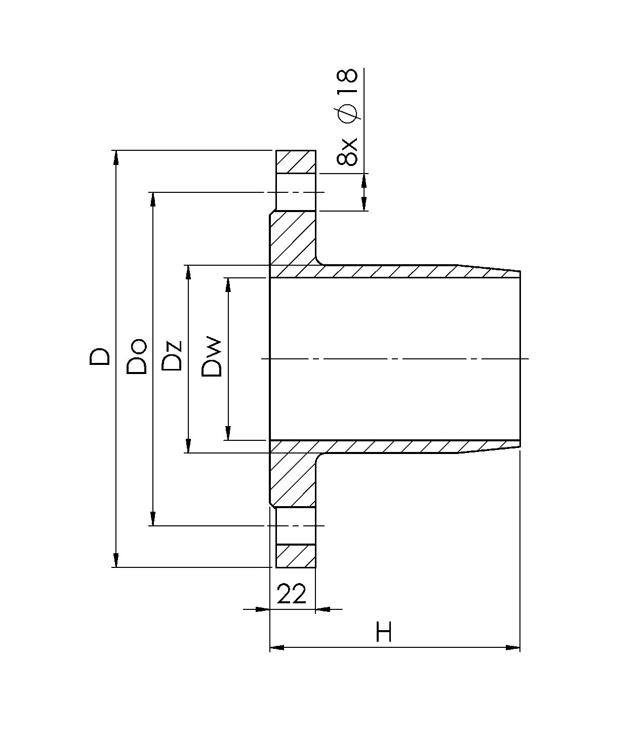
- Materiał: odlew ZL250, EN-GJL-250, EN 1561:2012 z ośmioma otworami w kołnierzu
- Atest higieniczny B-BK-60210-0307/21
- Wymiary kołnierza zgodne z PN-EN 1092-2:1999
- Zabezpieczenie antykorozyjne - farba proszkowa: poliestrowo-epoksydowa, atest HK/W/0399/01/2016, RAL 5005 grubość powłoki 250 μm ÷ 300 μm
- Ciśnienie pracy PN 16 (1,6 MPa)
Tabela rozmiarów
| Symbol | Rodzaj |
D |
Dw średnica otworu (przelotu) |
Dz średnica zewnętrzna |
H wysokość |
| [mm] | |||||
| KR-FW-080 | DN 80 | 200 | 78 | 90 | 120 |
| KR-FW-100 | DN 100 | 220 | 98 | 110 | 130 |
| KR-FW-150 | DN 150 | 285 | 146 | 160 | 155 |
Rysunek

Zapytaj o wycenę produktu