Oferta
Trójnik kołnierzowo bosy
SYMBOL PRODUKTU
TRB
Przeznaczenie
Przeznaczony do wykonywania rozgałęzień oraz montowania armatury na sieci wodociągowej. Stosowane w instalacjach wodociągowych dla wody pitnej i płynów nieagresywnych.
Specyfikacja
- Ciśnienie pracy 1,6 MPa [bez 1,0 MPa]
- Atest higieniczny B-BK-60210-0307/21
- Materiał: Odlew ZL250, EN-GJL-250, EN 1561:2012 z ośmioma lub czterema otworami w kołnierzu
- Przyłącza kołnierzowe zgodne z PN-EN 1092-2:1999
- Zabezpieczenie antykorozyjne - farba proszkowa: poliestrowo-epoksydowa, atest HK/W/0399/01/2016, RAL 5005, grubość 250 μm ÷ 300 μm
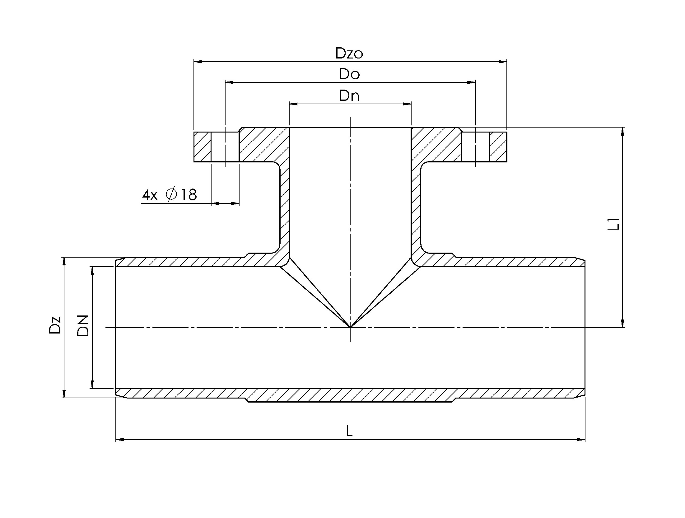
Tabela rozmiarów
| Symbol | Oznaczenie | Przewód główny | Odejście | ||||
| DN | Dz | L | Dn | L1 | Otwory w kołnierzu | ||
| [mm] | |||||||
| TRB-080-80-4 | Tb ø 80x80 | 73 | 90 | 330 | 80 | 168 | 4 |
| TRB-080-80-8 | Tb ø 80x80 | 73 | 90 | 330 | 80 | 168 | 8 |
| TRB-100-80-4 | Tb ø 100x80 | 92 | 110 | 365 | 80 | 175 | 4 |
| TRB-100-80-8 | Tb ø 100x80 | 92 | 110 | 365 | 80 | 175 | 8 |
| TRB-100-100 | Tb ø 100x100 | 92 | 110 | 365 | 100 | 175 | 8 |
| TRB-150-80-4 | Tb ø 150x80 | 140 | 160 | 400 | 80 | 208 | 4 |
| TRB-150-80-8 | Tb ø 150x80 | 140 | 160 | 400 | 80 | 208 | 8 |
| TRB-150-100 | Tb ø 150x100 | 140 | 160 | 400 | 100 | 208 | 8 |
| TRB-200-80 | Tb ø 200x80 | 200 | 225 | 500 | 80 | 8 | |
Rysunek

Pliki do pobrania
Zapytaj o wycenę produktu