Oferta
Opaska na rury PE i PCV z gwintem zewnętrznym
SYMBOL PRODUKTU
OPA-PE
Przeznaczenie
Służy do wykonywania przyłączeń instalacji domowych do sieci wodociągowej wykonanej z rur PCV i PE
Specyfikacja
- ciśnienie pracy: 1,6 MPa (PN 16)
- temperatura pracy tmax 40°C
- materiał: żeliwo sferoidalne EN-GJS-500, PN-EN 1563:2012
- elementy uszczelniające: guma NKJ, guma NBR 70
- atest higieniczny B-BK-60210-0307/21
- zabezpieczenie: farba proszkowa poliestrowo-epoksydowa, RAL 5005, grubość 250-300 μm
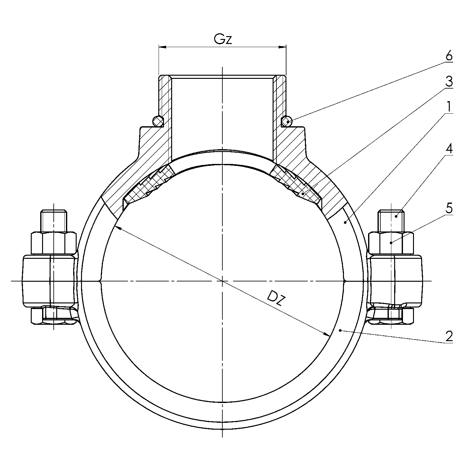
Tabela rozmiarów
| Symbol | Średnica nominalna / zewnętrzna DN/DZ | Wyjście z gwintem zewnętrznym Gz |
| OPA-PE-GZ50-090 | DN80 / DZ90 | R 2" |
| OPA-PE-GZ50-110 | DN100 / DZ110 | R 2" |
| OPA-PE-GZ50-125 | DZ125 | R 2" |
| OPA-PE-GZ50-160 | DN150 / DZ160 | R 2" |
| OPA-PE-GZ50-225 | DN200 / DZ225 | R 2" |
Wykaz

- Korpus opaski EN-GJS-500, PN-EN 1563:2012
- Obejma opaski EN-GJS-500, PN-EN 1563:2012
- Uszczelka profilowana: guma NKJ lub guma NBR 70
- Śruba PN-EN ISO 4016 lub śruba ampulowa (opcjonalnie śruba ze stali nierdzewnej A2)
- Nakrętka PN-EN ISO 4032 (opcjonalnie nakrętka ze stali nierdzewnej A4)
- Uszczelka typu "O" guma EPDM 70, guma NBR 70
Pliki do pobrania
Zapytaj o wycenę produktu