Oferta
Opaska na rury PE, PCV z gwintem wewnętrznym
SYMBOL PRODUKTU
OPA-PE
Przeznaczenie
Służy do wykonywania przyłączeń instalacji domowych do sieci wodociągowej wykonanej z rur PCV i PE
Specyfikacja
- ciśnienie pracy: 1,6 MPa (PN 16)
- temperatura pracy tmax 40°C
- materiał: żeliwo sferoidalne EN-GJS-500, PN-EN 1563:2012
- elementy uszczelniające: guma NKJ, guma NBR 70
- atest higieniczny B-BK-60210-0307/21
- zabezpieczenie: farba proszkowa poliestrowo-epoksydowa, RAL 5005, grubość 250-300 μm
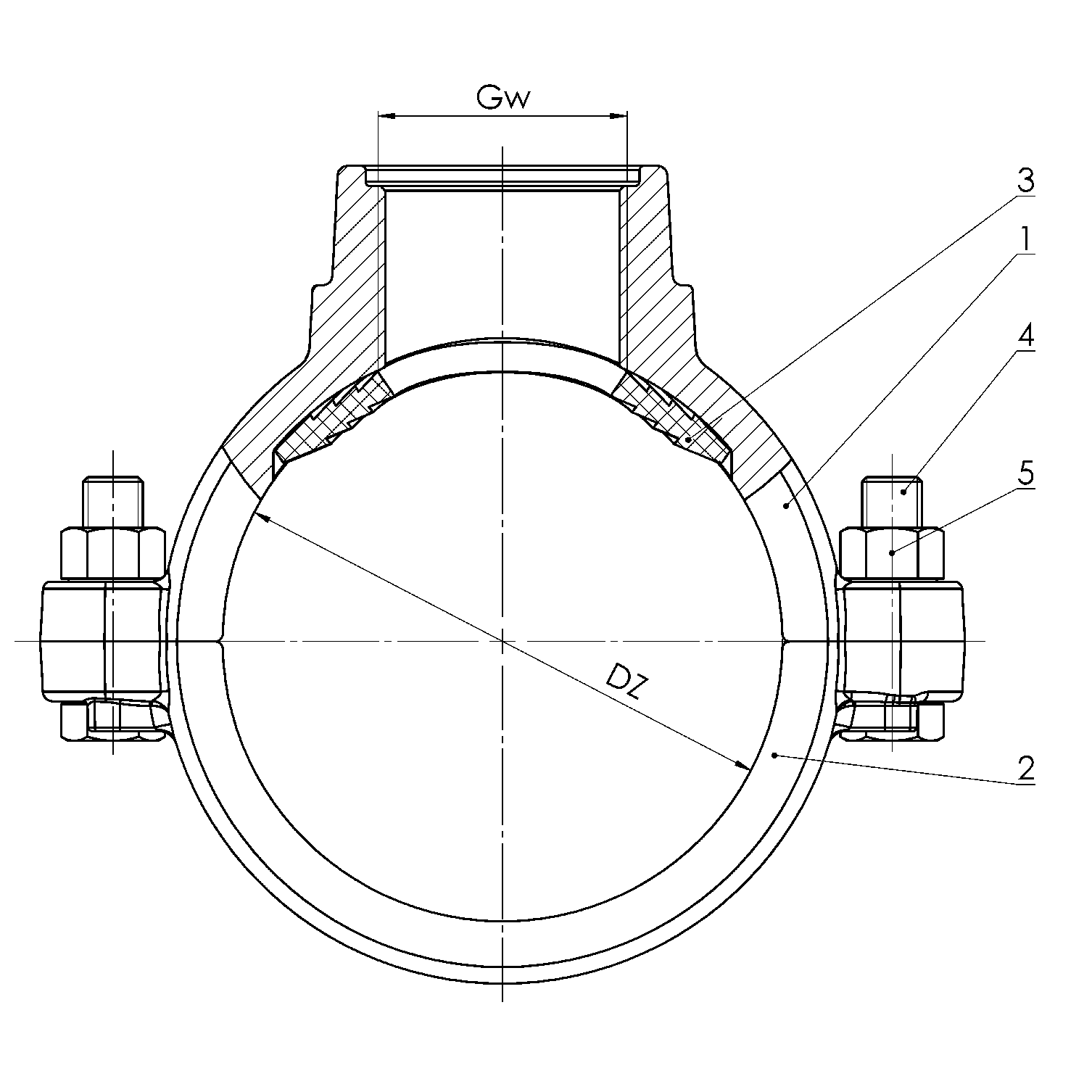
Tabela rozmiarów
| Symbol | Średnica nominalna / zewnętrzna DN/DZ | Wyjście z gwintem wewnętrznym Gw |
| OPA-PE-GW50-063 | DN50 / DZ63 | R 2" |
| OPA-PE-GW50-075 | DN65 / DZ75 | R 2" |
| OPA-PE-GW40-090 | DN80 / DZ90 | R 1½" |
| OPA-PE-GW40-110 | DN100 / DZ110 | R 1½" |
| OPA-PE-GW40-125 | DZ125 | R 1½" |
| OPA-PE-GW40-160 | DN150 / DZ160 | R 1½" |
| OPA-PE-GW40-225 | DN200 / DZ225 | R 1½" |
| OPA-PE-GW50-090 | DN80 / DZ90 | R 2" |
| OPA-PE-GW50-110 | DN100 / DZ110 | R 2" |
| OPA-PE-GW50-125 | DZ125 | R 2" |
| OPA-PE-GW50-160 | DN150 / DZ160 | R 2" |
| OPA-PE-GW50-225 | DN200 / DZ225 | R 2" |
Wykaz

- Korpus opaski EN-GJS-500, PN-EN 1563:2012
- Obejma opaski EN-GJS-500, PN-EN 1563:2012
- Uszczelka profilowana: guma NKJ lub guma NBR 70
- Śruba PN-EN ISO 4016 lub śruba ampulowa (opcjonalnie śruba ze stali nierdzewnej A2)
- Nakrętka PN-EN ISO 4032 (opcjonalnie nakrętka ze stali nierdzewnej A4)
Zapytaj o wycenę produktu