Kontrast0

Kontrast1

Kontrast2

Czcionka0

Czcionka1

Czcionka2

Oferta

Zasuwa z opaską na rury żeliwne, stalowe, AC

SYMBOL PRODUKTU

NWZ-ZL

Przeznaczenie

Służy do wykonywania przyłączy domowych na wodociągu z rury żeliwnej, stalowej lub azbestowo-cementowej również pod ciśnieniem przy użyciu przyrządu do nawiercania.

Specyfikacja

  • Ciśnienie pracy 1,6 MPa. Temperatura pracy tmax 40°C
  • Atest higieniczny B-BK-60210-0307/21
  • Korpus zasuwy do przyłączy domowych: żeliwo szare ZL250, EN-GJL-250, PN-EN 1561:2012 / żeliwo sferoidalne GGG 50, EN-GJS 500, PN-EN 1563:2012
  • Zabezpieczenie antykorozyjne - farba proszkowa: poliestrowo-epoksydowa, atest HK/W/0399/01/2016; RAL 5005, grubość 250 μm ÷ 300 μm
  • Guma NKJ, atest HK/1135/01/2014; Guma EPDM, atest HK/W/0713/01/2013
  • Badania i wymagania zgodne z PN -EN 1074-1:2002

  • Gwinty rurowe:
    • PN-EN ISO 228-1:2005
    • PN-EN ISO 228-2:2005


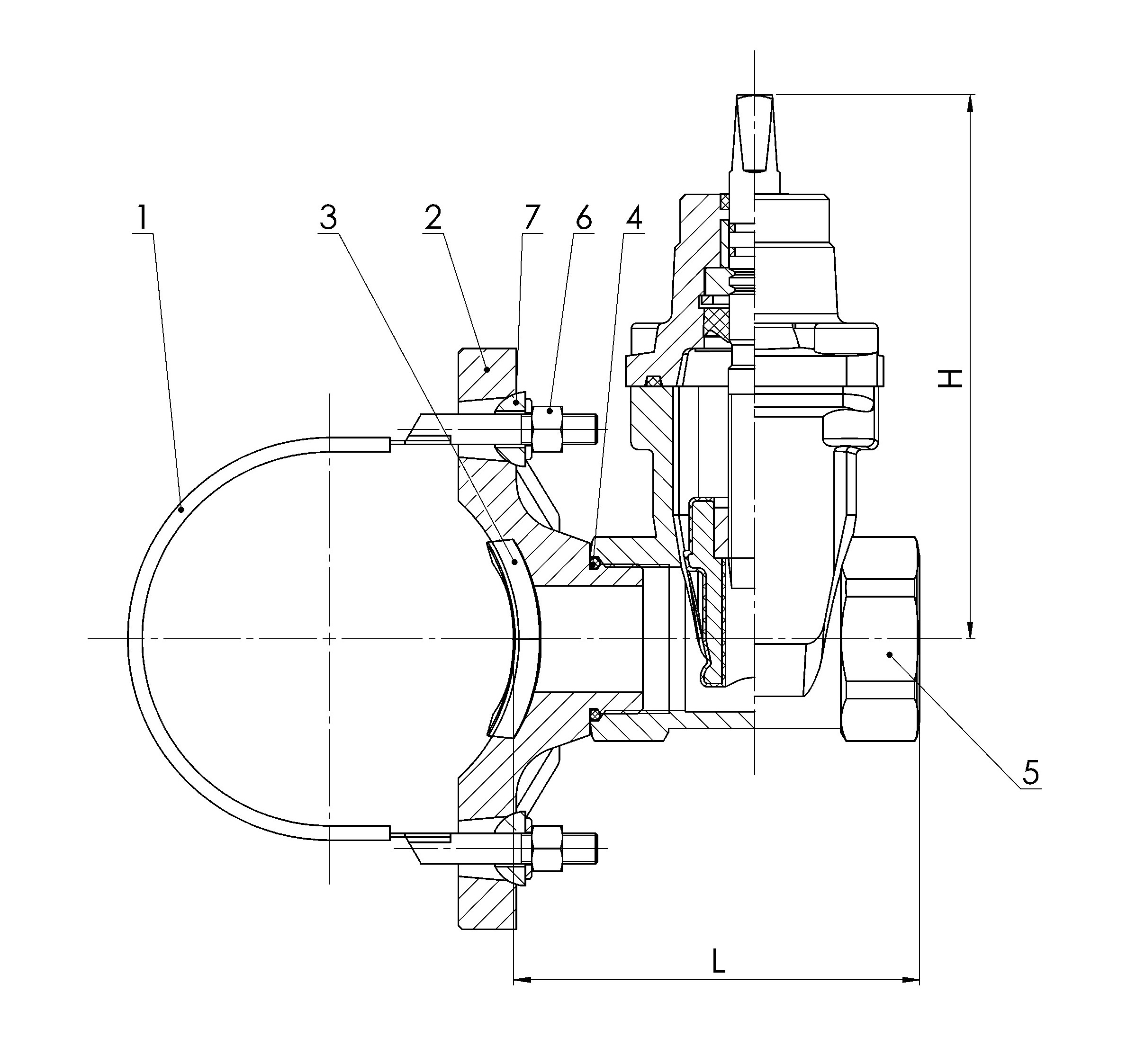
Tabela rozmiarów

Symbol Typ zasuwy Oznaczenie DN/dw Średnica nom. wodociągu DN [mm] Średnica nom zasuwy DNz [mm] Gwint zasuwy Gz [cale] Długość zabudowy L [mm] Wysokość zabudowy H [mm]
NWZ-ZL-32-080 DN 32 80/1¼" ø 80 ø 32 R 1¼" 160 210
NWZ-ZL-32-100 100/1¼" ø 100
NWZ-ZL-32-125 125/1¼" ø 125
NWZ-ZL-32-150 150/1¼" ø 150
NWZ-ZL-32-180 180/1¼" ø 180
NWZ-ZL-32-200 200/1¼" ø 200
NWZ-ZL-32-250 250/1¼" ø 250
NWZ-ZL-32-300 300/1¼" ø 300
NWZ-ZL-40-080 DN 40 80/1½" ø 80 ø 40 R 1½" 170 210
NWZ-ZL-40-100 100/1½" ø 100
NWZ-ZL-40-125 125/1½" ø 125
NWZ-ZL-40-150 150/1½" ø 150
NWZ-ZL-40-180 180/1½" ø 180
NWZ-ZL-40-200 200/1½" ø 200
NWZ-ZL-40-250 250/1½" ø 250
NWZ-ZL-40-300 300/1½" ø 300
NWZ-ZL-50-080 DN 50 80/2" ø 80 ø50 R 2" 180 215
NWZ-ZL-50-100 100/2" ø 100
NWZ-ZL-50-125 125/2" ø 125
NWZ-ZL-50-150 150/2" ø 150
NWZ-ZL-50-180 180/2" ø 180
NWZ-ZL-50-200 200/2" ø 200
NWZ-ZL-50-250 250/2" ø 250
NWZ-ZL-50-300 300/2" ø 300

 

Wykaz

  1. Obejma OH18N9, PN-EN 10088-1:2014
  2. Korpus ZL250, EN-GJL250, PN-EN 1561:2012
  3. Uszczelka profilowa NKJ, atest HK/W/1135/01/2014
  4. Uszczelka typu "O" EPDM, atest HK/W/0713/01/2013
  5. Zasuwa PN-EN 1074-1:2002, korpus EN-GJS-500 lub EN-GJL 250
  6. Nakrętka cynkowana (opcjonalnie nierdzewna), PN-EN ISO 4032:2004
  7. Podkładka cynkowana (opcjonalnie nierdzewna), PN-EN ISO 887:2003
Pliki do pobrania
Zapytaj o wycenę produktu

Wyrażam zgodę na przetwarzanie moich danych osobowych zgodnie z ustawą o ochronie danych osobowych oraz Rozporządzenia 2016/679. Podanie danych jest dobrowolne, ale niezbędne do przetworzenia zapytania. Zostałem poinformowany, że przysługuje mi prawo dostępu do swoich danych, możliwości ich poprawiania, żądania zaprzestania ich przetwarzania. Administratorem danych osobowych jest ANWOD Armatura sp. z o. o. Więcej informacji dot. ochrony danych osobowych znajdą Państwo w polityce prywatności. Klikając WYŚLIJ akceptujesz wszystkie powyższe warunki.

Kontrast0

Kontrast1

Kontrast2

Czcionka0

Czcionka1

Czcionka2

INFORMACJA O POLITYCE PRZETWARZANIA DANYCH OSOBOWYCH

W celu dostarczania naszych usług wykorzystujemy pliki cookies. Aby dowiedzieć się więcej o plikach cookies, opcjach wypisu oraz Twoich preferencjach kliknij polityką prywatności. Korzystanie z naszego serwisu internetowego traktowane jest jako zgoda na politykę przetwarzania danych osobowych.